Мы используем cookie для наилучшего представления нашего сайта. Подробнее об этом в Политике конфиденциальности.
Ок

Невинномысск

Ваш город:
Невинномысск (Ставропольский край)?
Нет
Да
Каталог
Каталог Написать в WhatsApp
Мотоэкипировка

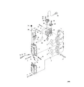
Впускной коллектор 4-Х ТАКТНОГО ПЛМ MERCURY 115 Серийный номер от 10T801000 до 1B226999

Впускной коллектор 4-Х ТАКТНОГО ПЛМ MERCURY 115 Серийный номер от 10T801000 до 1B226999 в Краснодаре: актуальный каталог, цены, фото, описание. Купите впускной коллектор 4-х тактного плм mercury 115 серийный номер от 10t801000 до 1b226999 в кредит – оформите заявку онлайн за 1 минуту!

Оригинальные запчасти

Артикул НАИМЕНОВАНИЕ Кол-во деталей в узле Примечание Наличие Цена Аналоги Фото
1 880886T MANIFOLD

Под заказ

1

Под заказ

уточнить

Купить
2 881513 O-RING, Intake Manifold

Под заказ

4

Под заказ

уточнить

Купить
3 881512 PIN, Dowel

Под заказ

4

Под заказ

уточнить

Купить
4 881507 BOLT, (M6 x 25)

Под заказ

3

Под заказ

уточнить

Купить
5 881441T4 THROTTLE BODY

Под заказ

1

Под заказ

уточнить

Купить
6 881444 SPRING

Под заказ

1

Под заказ

уточнить

Купить
7 881510 BOLT, (M8 x 70)

Под заказ

6

Под заказ

уточнить

Купить
8 881508 WASHER

Под заказ

9

Под заказ

уточнить

Купить
9 881441T3 THROTTLE BODY

Под заказ

1

Под заказ

уточнить

Купить
10 881442 SCREW

Под заказ

1

Под заказ

уточнить

Купить
11 881443 SCREW

Под заказ

1

Под заказ

уточнить

Купить
12 881514 LINK JOINT

Под заказ

1

Под заказ

уточнить

Купить
13 881515 LINK JOINT

Под заказ

1

Под заказ

уточнить

Купить
14 83763M NUT

Под заказ

1

Под заказ

уточнить

Купить
15 880884T THROTTLE SENSOR

Под заказ

1

Под заказ

уточнить

Купить
16 881504 O-RING

Под заказ

1

Под заказ

уточнить

Купить
17 881502002 SCREW

Под заказ

2

Под заказ

уточнить

Купить
18 881450 WASHER

Под заказ

2

Под заказ

уточнить

Купить
19 881516 BRACKET

Под заказ

1

Под заказ

уточнить

Купить
20 881971A1 SCREW

Под заказ

3

Под заказ

уточнить

Купить
21 881511 HOSE

Под заказ

1

Под заказ

уточнить

Купить
22 880883T1 CONTROL VALVE ASSEMBLY

Под заказ

1

Под заказ

уточнить

Купить
23 881446T BODY

Под заказ

1

Под заказ

уточнить

Купить
24 881447T Клапан (CONTROL VALVE)

Под заказ

1

Под заказ

уточнить

Купить
25 881448 Уплотнительное кольцо (O-RING)

Под заказ

1

Под заказ

уточнить

Купить
26 881449002 SCREW

Под заказ

3

Под заказ

уточнить

Купить
27 881501T FILTER

Под заказ

1

Под заказ

уточнить

Купить
28 880885T PRESSURE SENSOR

Под заказ

1

Под заказ

уточнить

Купить
29 881509 SCREW, (M5 x 15)

Под заказ

2

Под заказ

уточнить

Купить
30 881505 BOLT, (M6 x 24)

Под заказ

1

Под заказ

уточнить

Купить
31 881506 BOLT, (M6 x 60)

Под заказ

2

Под заказ

уточнить

Купить
32 881517T1 HARNESS ASSEMBLY

Под заказ

1

Под заказ

уточнить

Купить
33 881440T04 INTAKE ASSEMBLY

Под заказ

1

Под заказ

уточнить

Купить

Нулевая цена не означает отсутствие товара. Оформите заказ, и менеджер сообщит вам цену и наличие товара, предварительно запросив их у поставщика

Главная Магазины
Корзина0
Профиль